logo

zpět na hlavní menu

úvod kond. mikrofon různé měřící doplňky plošné spoje různé zdroje oprava TV ovladače grafy a vzorce antény vysílač AM různé mimo téma, léčitelství

fotky

stavba domečku

mail:
info@vaelektronik.cz
pozadí

Vysílač AM

vysílač AM Jsou sběratelé starých rádií, kteří si alespoň občas chtějí poslechnout, jak to jejich rádio hraje. Problém je, že takové rádio už nemůže hrát tak jako za doby našich dědů, protože se vysílá úplně jinak. Proto jediná možnost je vytvořit si svůj signál tak, jak se vysílalo kdysi.

Co se změnilo? Dříve byl rozsah modulačních kmitočtů omezený jen tím, co umělo tehdejší zařízení ve studiu, co přenesly linky a trochu i šířkou pásma koncového stupně vysílače. Každé lepší rádio mělo přepínač šířky pásma, aby blízké stanice mohly hrát kvalitně s výškama a jen u slabých stanic se omezením šířky pásma omezil šum. Jako kluk pamatuju, že se jednou týdně v rádiu vysílal fonotest a že jsem tam byť slabě, slyšel kmitočty i nad 12 KHz. Nyní je šířka pásma AM vysílačů omezená na 4,5 KHz, což je trochu lepší telefon. Prý aby se sousední stanice navzájem nerušily. Při tom se rušit nemohou už jen proto, že jich bylo mnoho povypínaných a to nejen u nás. O střední vlny s kvalitou, s jakou se vysílá, přestal být zájem.

Další problém je úroveň modulace. Dříve nebyly technické možnosti, jak účinně a bez většího zkreslení komprimovat dynamický rozsah modulačního signálu. Modulovalo se neupraveným signálem s jeho přirozenou dynamikou, se střední hloubkou modulace asi 30% a zbytek do 100% se nechával na špičky. Byl sice potřeba větší výkon vysílačů, elektrárny spálily víc uhlí, ale bylo to kvalitní a dalo se to poslouchat. Nyní je modulace téměř na 100% a to trvale. Bohužel nejen u AM kde by se to ještě dalo pochopit, ale i na FM a dokonce i na některých CD. Stala se z toho taková móda jednotvárného hluku - prý aby to bylo lépe slyšet čtěte zde. Velká hloubka modulace u starých diodových detektorů také způsobuje větší zkreslení.

Proto jsem udělal malý AM vysílač, který umožní, aby rádio hrálo zase jako dřív. Ani bych neřešil že taková zařízení jsou zakázaná, protože dosah tohoto vysílače pro kvalitní poslech je asi 2m a slabě jej lze zachytit asi do 10m. Tady nejde o dosah, jde pouze o vytvoření kvalitní modulace a její dopravení do blízkého přijímače.

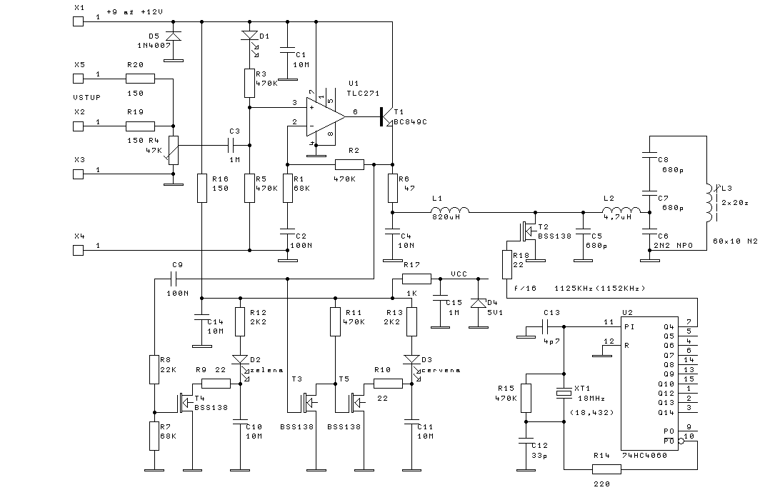
zapojení vysílače

schema Modulační signál se předpokládá v úrovni nad 0,3V (sluchátkový výstup CD přehrávače nebo čekoholiv jiného) a zesiluje se na plný rozkmit napájecího napětí. Odpory R19 a R20 pak slučují kanály L a R dohromady, pokud je zdroj signálu stereo. Trimrem R4 se dá nastavit hloubka modulace. Protože zesilovač U1 má max. výstupní napětí cca o 1V nižší než je úroveň napájení a kousek ubere i emitorový sledovač T1, je pro symetrickou limitaci tento posuv korigován diodou D1 u děliče R3 R5 vytvářejícího předpětí. Na zesilovač je pověšen indikátor hloubky modulace se dvěma ledkama. Zelená ukazuje cca nad 30% a červená nad 90%. Červená by měla problikávat jen ojediněle.

Nosný kmitočet se získává vydělením z kmitočtu krystalu. Je to asi nejjednodušší, při tom stabilní a pevná střída signálu umožňuje kvalitní modulaci. Je vhodné dodržet rastr 9 KHz, aby nám ve večerních hodinách rádio nepískalo při pronikání nějaké vzdálenější stanice. Ze standardní řady kmitočtů máme k dispozici pouze 18 a 18,432 KHz, což dává 1125 a 1152 KHz. Dle dostupných informací se u nás na těchto kmitočtech nevysílá. Ještě by bylo možné (a asi i vhodnější) použít 9,216 MHz a vysílat na 576 KHz, ale bylo by potřeba změnit kapacity u feritky a asi i počet závitů na ní. Ani na tomto kmitočtu se u nás nevysílá. Problém je v neochotě obvodu 74HC4060 rozkmitat krystal 18MHz. Sice se to povedlo, ale za cenu laborování s kapacitama C12, C13 a s odporem R14. Oscilátor s uvedenými hodnotami kmital od napájecího napětí 6V.

Modulátor a koncový stupeň vysílače je tvořen tranzistorem T2. Modulace kolektorovým napětím je lineární a bezproblémová. Modulační napětí je odděleno tlumivkou L1, výstup budí přes přizpůsobovací obvod C5 L2 feritku. Přiznávám že nejsem odborník přes vysílací techniku a k tlumivce L2 (co šuplíček dal) jsem nastavil C5 tak, aby to podle osciloskopu hezky vypadalo.

Feritka je buzena do odbočky kapacitního děliče C6 C7 C8. Původní záměr byl, že C6 dám 4N7. Na feritce se nakmitalo asi 80V a při ladění se už projevovala její nelinearita - ferit se trochu přesycoval. Proto jsou C7 a C8 v sérii, každý je na 50V. Nakonec jsem C6 snížil na 2N2 a při 12V napájení je na feritce bez modulace asi 30V. Při tom je napájecí proud vysílače 30mA a z toho napájecí proud VF části asi 20mA. Při předpokládané účinnosti 50% by měl být výkon 0,1W, jenže z toho feritka vyzáří sotva pár mW. To co přijímáme v okolí pár metrů zpravidla není vyzářené elektromagnetické pole, ale blízké pole - v podstatě induktivní vazba mezi feritkou vysílače a přijímače.

mechanická konstrukce

deska Mechanická konstrukce vysílače je jednoduchá. Jednostranný plošný spoj, většina součástek SMD. Vinutí na feritce je v jedné vrstvě, VF lankem 20x0,05 (já jsem smotal 12x0,1 a vůbec nevadí že lanko není opřádané). Kostřičky (vlastně jen nosné trubičky pro vinutí) jsou z plastové samolepící fólie. Fólie je navinutá lepidlem navrch a má na feritce vůli, aby se dala snadno posunovat. Po navinutí je vhodné konce zajistit proužkem samolepící fólie. Feritka je na desce podložena kousky plastu, na kterém dobře drží lepidlo. Používám kousky černých plastových krabiček (polystyren) a vše lepím vteřinovým lepidlem. Feritku jsem pro jistotu podložil 4mm vrstvou, aby nebyly problémy s ovlivňováním modulačního zesilovače. Ale vše chodilo dobře, i když ležela přímo na desce. Feritka je po naladění přilepená přímo přes vinutí, na kterém leží. Aby se náhodou neposunula, je dobré kápnout lepidlo i na okraje trubiček s vinutím. Musíme si však uvědomit, že tohle už nikdo nerozdělá :-)

Prototyp na fotce se od výsledné dokumentace trochu liší. Vývody pro feritku jsem si udělal pod feritkou, takže jsem nakonec tahal dráty okolo desky :-( Na prototypu chybí odpory pro sloučení kanálů L a R a nacpat je do konektoru šlo jen násilím.

Dokumentace je na stažení zde vysílač AM

Obrazec plošného spoje je v rozlišení 600DPI, schema a plošný spoj je pro případné další úpravy i ve Formice.